近日,强制性新标准GB 46768-2025 《有限空间作业安全技术规范》重磅发布!2026年5月1日实施。该标准不适用“化工、危险化学品、医药、船舶”等行业。其他像工贸企业、非煤矿山、建设冶炼等行业都要遵从这个新规范。

在之前的征求意见稿中,有限空间的定义中还包含了受限空间,但正式稿中删除了这些表述!

至此“有限空间”和“受限空间”正式分道扬镳,以后需要明确区分!
“化工、危险化学品、医药、船舶”等行业使用《危险化学品企业特殊作业安全规范》(GB 30871-2022),称之为“受限空间”!
其他所有行业像工贸企业、非煤矿山、建设冶炼等行业都要遵从这个新规范,称之为“有限空间”!
“受限空间”是指进出口受限,通风不良,可能存在易燃易爆、有毒有害物质或者缺氧,对进入人员的身体健康和生命安全构成威胁的封闭、半封闭设施及场所。注:包括反应器、塔、釜、槽、罐、炉膛、锅筒、管道以及地下室、窨井、坑(池)、管沟或其他封闭、半封闭场所。受限空间作业指进入或探入受限空间进行的作业。
新标准中的有限空间作业虽然没有“探入”二字,但没有排除掉“探入”的情形,而是在“进入”的术语中包含进去。

综上,受限空间是化工等行业的规范用语,而有限空间是工贸建设非煤矿山等其他所有企业的规范用语。二者目前都有了强制性国家标准的明确定义,不可再混为一谈!
除了行业领域的叫法区别外,有限空间通常指的是那封闭与外界隔离,出入口较窄的空间,但有足够的空间让工人能够进入并执行工作。这些空间的入口和出口可能会受到限制,但并不像受限空间那样严格。受限空间则是指那些具有限制性开口的空间,工人进出需要特殊的方法,如爬梯或使用绳索。这些空间通常不适合持续占用,并且可能会有潜在的危险气体积聚或其他危险条件。受限空间由于其结构特点,更容易积聚有害气体,因此潜在的危险性更大。



















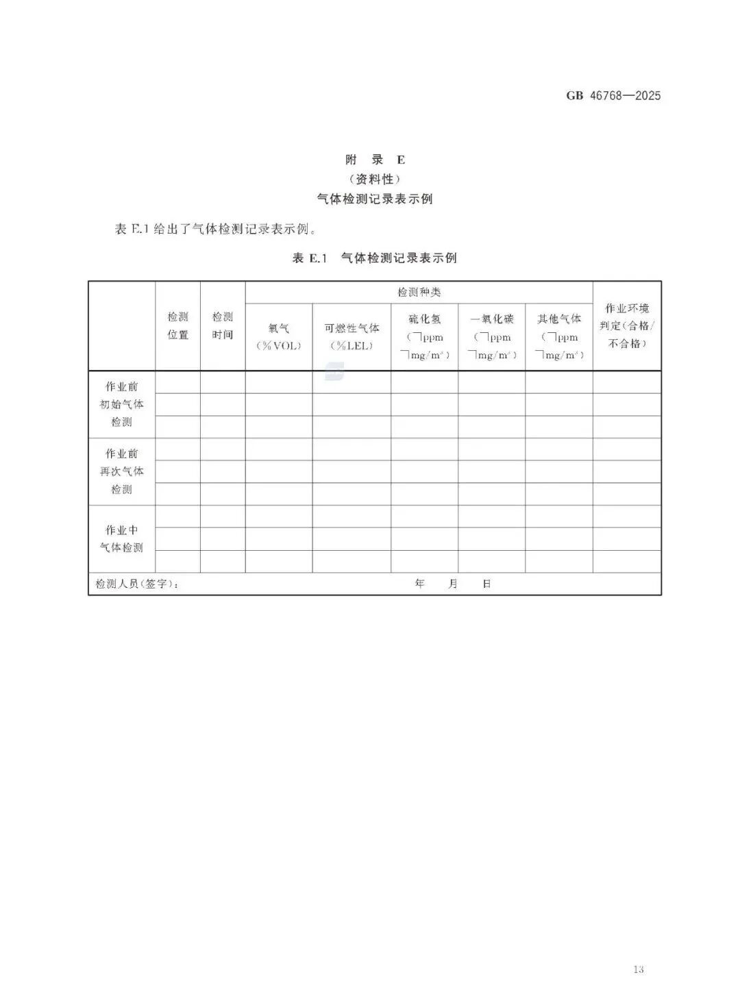
有限空间作业岗位安全操作手册
(图文并茂,非常实用,全员必看)
一、岗位基本情况
01
有限空间作业岗位特点

①空间限制与环境复杂:有限空间作业通常涉及到各种容器、管道、地下室、沟槽等,这些空间往往存在高度、宽度、湿度、温度、气体等多种变化,对作业人员的身体和心理都会产生一定的影响。
②安全隐患多样性:有限空间内可能存在各种危险因素,如有害气体、坍塌风险、落石滑坡等。

③通讯与协作至关重要:有限空间作业往往需要多人协作完成,通讯与协作是保证作业顺利进行的关键。在进入空间前,要明确每个人的职责和任务,确保信息畅通,避免因沟通不畅导致的误解和冲突。在空间内应保持密切地观察和协作,及时发现并处理潜在的危险情况。

④时间限制与效率要求:在有限的时间内完成高质量的作业任务需要合理安排时间,优化工作流程,合理分配人力和物力资源,在空间内要保持高效的工作节奏,避免因拖延导致的安全风险和时间浪费。
⑤应急预案与救援准备:应制定完善的应急预案,并定期进行演练。作业前应评估可能出现的紧急情况,如气体中毒、坍塌等,并制定相应的应急措施。配备必要的救援设备,如呼吸器、安全带、破拆工具等,确保在紧急情况下能够迅速展开救援工作。

02
核心工艺流程
有限空间作业岗位其关键流程为作业审批、封闭区域、通风检测、有限空间作业、作业监护、作业完成安全撤离现场。
03
关键工艺风险分析
有限空间作业岗位涉及的作业风险包含如下:

二、“一页一岗位”
有限空间作业岗位

三、岗位安全操作“明白卡”
有限空间作业岗位安全操作“明白卡”
安全教育要牢记,遵守规程莫忘记;
通风换气要彻底,照明设备要完好;
有毒物质要检测,监护人员不能少;
作业区域要隔离,无关人员莫靠近;
穿戴防护要规范,安全鞋帽不能忘;
携带器具要检查,禁止携带违禁品;
空间作业按程序,作业许可不能少;
定时观察空间内,气体变化要及时;
发生意外不慌乱,及时救援不能迟;
撤离空间讲方法,避免踩踏和碰撞。

四、岗位安全操作手册
有限空间作业岗位安全操作手册
(1)适用范围
本手册规定了有限空间作业岗位所遵守的工艺要求,包括基本要求、施工条件、有限空间作业过程技术要求、安全注意事项等。
本手册适用于有限空间作业者,也可用于管理者对作业者的质量检验。
(2)岗位责任
①严格遵守公司的相关安全政策和程序,确保工作在所分配的时间内完成,确保高度的工作质量和安全要求。
②负责有限空间作业前的检查和准备工作,包括检查进入有限空间的所有工具和设备是否完好,检查空气质量和通风系统是否正常运转,确保能够尽可能地保证员工的安全。

③实施有限空间作业,能够按照相关规定完成已分配的任务,确保在有限空间内的安全要求达标。
④负责维护有限空间作业的设备和设施,包括维护通风风机、氧气传感器和其他设备等。当有需要时,应该及时向相关人员报告设备的故障或者损坏,确保机器的正常运转。
⑤实施有限空间逃生计划,在出现紧急情况时保持清醒并做出正确的反应,确保自身以及他人的安全。

⑥应当对通风、检测和必要的隔断、清除、置换等风险管控措施逐项进行检查,确认防护用品能够正常使用且作业现场配备必要的应急救援装备,确保各项作业条件符合安全要求。
⑦监护人员应当全程进行监护,与作业人员保持实时联络,不得离开作业现场或者进入有限空间参与作业。

⑧监护人员应当全程进行监护,与作业人员保持实时联络,不得离开作业现场或者进入有限空间参与作业。发现异常情况时,立即组织作业人员撤离现场。
⑨接受组织的有限空间作业安全知识和技能专题安全培训。
(3)主要风险
有限空间可能存在硫化氢、一氧化碳等气体,还可能存在有毒有害、易燃易爆物质积聚或者氧含量不足风险,引发中毒和窒息、其他爆炸等事故伤害;电气、设备设施、防护用品不良易引发触电、高处坠落、其他伤害等。

(4)严禁事项
①必须严格实行作业审批制度,严禁擅自进入有限空间作业。
②必须做到“先通风、再检测、后作业”,严禁通风、检测不合格作业。

③必须对作业人员进行安全培训,严禁无资格(资质)、教育培训不合格上岗作业。
④必须配备个人防中毒窒息等防护装备,设置安全警示标识,严禁无防护措施作业。

⑤必须制定现场应急预案,完善应急措施,配备应急装备,严禁盲目施救。
⑥必须落实企业安全管理人员在场监督,严禁无监护下作业。

(5)操作要求
①有限空间作业应当严格遵守“先通风、再检测、后作业”要求。在确认作业环境、作业程序、安全防护设备和个体防护用品等符合要求后,方可许可进入有限空间作业。
②作业人员、监护人员应当具备有限空间作业相适应的安全知识和应急处置能力,能够正确使用气体检测、机械通风、呼吸防护、应急救援等用品、装备。

③作业人员使用踏步、安全梯进入有限空间的,作业前应检查其牢固性和安全性,确保进出安全。
④作业人员应严格执行作业方案,正确使用安全防护设备和个体防护用品作业过程中与监护人员保持有效的信息沟通。

⑤传递物料时应稳妥、可靠,防止滑脱;起吊物料所用绳索、吊桶等必须牢固、可靠,避免吊物时突然损坏、物料掉落。
⑥应通过轮换作业等方式合理安排工作时间,避免人员长时间在有限空间工作。
⑦除实时监测外,作业过程中还应持续进行通风。

⑧监护人员应在有限空间外全程持续监护,不得擅离职守,主要做好两方面工作:跟踪作业人员的作业过程,与其保持信息沟通,发现有限空间气体环境发生不良变化、安全防护措施失效和其他异常情况时,应立即向作业人员发出撤离警报,并采取措施协助作业人员撤离;防止未经许可的人员进入作业区域。
⑨发生异常情况,作业人员应立即中断作业,撤离有限空间。
(6)作业前要求

(7)作业中要求

(8)作业后要求

(9)紧急情况及应急措施
当作业过程中出现异常情况时,作业人员在还具有自主意识的情况下,应采取积极主动的自救措施。作业人员可使用隔绝式紧急逃生呼吸器等救援逃生设备,提高自救成功效率。如果作业人员自救逃生失败,应根据实际情况采取非进入式救援或进入式救援方式。

(10)注意事项
发生有限空间作业事故,监护人员应及时向本单位报告事故情况,在分析事发有限空间环境危害控制情况、应急救援装备配置情况以及现场救援能力等因素的基础上,判断可否采取自主救援以及采取何种救援方式。
若现场具备自主救援条件,应根据实际情况采取非进入式或进入式救援,并确保救援人员人身安全。若现场不具备自主救援条件,应及时拨打119和120,依靠专业救援力量开展救援工作,决不允许强行施救。受困人员脱离有限空间后,应迅速转移至安全、空气新鲜处,进行正确、有效的现场救护,以挽救人员生命,减轻伤害。严禁未做好安全措施盲目施救。
